ស៊េរី PX ស៊េរីម៉ូតូតូចបច្ចុប្បន្ន

ការពិពណ៌នាសង្ខេប៖

J-SZ(ZYT)-PX series miniature DC geared motors ត្រូវបានផ្សំឡើងដោយ SZ(ZYT) series DC motors និង PX type normal precision planetary reducers និងបំពាក់ដោយការផ្គត់ផ្គង់ថាមពលដែលអាចដឹងពីបទប្បញ្ញត្តិល្បឿន stepless ។ ជួរលៃតម្រូវធំទូលាយ ទំហំតូច ទម្ងន់ស្រាល ប្រសិទ្ធភាពខ្ពស់ រចនាសម្ព័ន្ធបង្រួម កម្លាំងបង្វិលជុំទិន្នផលធំ ប្រើយ៉ាងទូលំទូលាយនៅក្នុងដ្រាយដែលត្រូវការល្បឿនទាប កម្លាំងបង្វិលជុំខ្ពស់ និងបទប្បញ្ញត្តិល្បឿនគ្មានជំហាន។ ល្បឿនអថេរអថេរ។


ព័ត៌មានលម្អិតអំពីផលិតផល

ស្លាកផលិតផល

ទិដ្ឋភាពទូទៅ

J-SZ(ZYT)-PX series miniature DC geared motors ត្រូវបានផ្សំឡើងដោយ SZ(ZYT) series DC motors និង PX type normal precision planetary reducers និងបំពាក់ដោយការផ្គត់ផ្គង់ថាមពលដែលអាចដឹងពីបទប្បញ្ញត្តិល្បឿន stepless ។ ជួរលៃតម្រូវធំទូលាយ ទំហំតូច ទម្ងន់ស្រាល ប្រសិទ្ធភាពខ្ពស់ រចនាសម្ព័ន្ធបង្រួម កម្លាំងបង្វិលជុំទិន្នផលធំ ប្រើយ៉ាងទូលំទូលាយនៅក្នុងដ្រាយដែលត្រូវការល្បឿនទាប កម្លាំងបង្វិលជុំខ្ពស់ និងបទប្បញ្ញត្តិល្បឿនគ្មានជំហាន។ ល្បឿនអថេរអថេរ។
PX series planetary gear reducer អាចត្រូវបានភ្ជាប់ដោយផ្ទាល់ទៅនឹងម៉ូទ័រ AC, ម៉ូទ័រ stepper និងម៉ូទ័រផ្សេងទៀត។
ស៊េរី PX ក៏អាចត្រូវបានភ្ជាប់ដោយផ្ទាល់ទៅនឹងឧបករណ៍កាត់បន្ថយដង្កូវ និងឧបករណ៍កាត់បន្ថយស៊ីឡាំងស៊ីក្លូដ ដើម្បីបង្កើតឧបករណ៍កាត់បន្ថយដែលមានសមាមាត្រល្បឿនខុសៗគ្នា ឬសមាមាត្រល្បឿនធំ។

ការណែនាំអំពីម៉ូដែលកាត់បន្ថយ

ម៉ូដែលម៉ូទ័រ

ម៉ូដែលម៉ូទ័រ

ទម្រង់ដំឡើង A1: A1 គឺជាការដំឡើងជើង, A3 គឺជាការដំឡើង flange, B5 គឺជាការដំឡើង flange ជុំ
64 - សមាមាត្រកាត់បន្ថយ: 1:64
PX - ឧបករណ៍កាត់បន្ថយភពសុក្រិតធម្មតា។
54 - កូដប៉ារ៉ាម៉ែត្រដំណើរការម៉ូទ័រ
SZ(ZYT) - DC Servo Motor (ម៉ូទ័រ DC មេដែកអចិន្ត្រៃយ៍)
90 - លេខមូលដ្ឋានម៉ូទ័រ: បង្ហាញពីអង្កត់ផ្ចិតខាងក្រៅ 90mm

ម៉ូដែលកាត់បន្ថយ

ម៉ូដែលកាត់បន្ថយ

ទម្រង់ដំឡើង A1: A1 គឺជាការដំឡើងជើង, A3 គឺជាការដំឡើង flange, B5 គឺជាការដំឡើង flange ជុំ
16 - សមាមាត្រកាត់បន្ថយ: 1:64
PX - ឧបករណ៍កាត់បន្ថយភពសុក្រិតធម្មតា។
110 - លេខមូលដ្ឋានម៉ូទ័រ: បង្ហាញពីអង្កត់ផ្ចិតខាងក្រៅ 90mm

ទិន្នន័យបច្ចេកទេសនៃម៉ូទ័រអេឡិចត្រិច

ល្បឿន (r/min) កម្លាំងបង្វិលជុំ (mN.m) គំរូ ថាមពល ល្បឿនដែលបានវាយតម្លៃ (r/min) ដំឡើង វ៉ុលដែលបានវាយតម្លៃ កាត់បន្ថយសមាមាត្រ សុន្ទរកថា
៧៥០ ២៦០ 55ZYT 29 ៣០០០ A3 24V:55ZYT51 27V:55ZYT52 48V:55ZYT53 110V:55ZYT54 4  
១៨៧.៥ ៧៤០ 16
47 ២១២០០ 64
12 ៥៩០០ ២៥៦
៥០០ ៣៩០ 6
83 ១៦៦០ 36
14 ៧១៨០ ២១៦
៧៥០ ៤៥០ ៧០ZYT០១ 50 ៣០០០០ 24   4
៧០ZYT០២ 27
៧០ZYT០៣ 48
៧០ZYT០៤ ១១០
១៥០០ ៣៨០ ៧០ZYT០៥ 85 ៦០០០ 24   4
៧០ZYT០៦ 27
៧០ZYT០៧ 48
៧០ZYT០៨ ១១០
៧៥០ ៦៣០ 70ZYT51 70 ៣០០០ 24   4
70ZYT52 27
70ZYT53 48
70ZYT54 ១១០
១៥០០ ៥៤០ 70ZYT55 ១២០ ៦០០០ 24   4
70ZYT56 27
70ZYT57 48
70ZYT58 ១១០
១៨៧.៥ ១២៧០ ៧០ZYT០១ 50 ៣០០០ 24   16
៧០ZYT០២ 27
៧០ZYT០៣ 48
៧០ZYT០៤ ១១០
១៨៧.៥ ១៧៨០ 70ZYT51 70 ៣០០០ 24   16
70ZYT52 27
70ZYT53 48
70ZYT54 ១១០
47 ៣៦៧០ ៧០ZYT០១ 50 ៣០០០ 24   64
៧០ZYT០២ 27
៧០ZYT០៣ 48
៧០ZYT០៤ ១១០
៧៥០ ៣៦០ 70SZ01 40 ៣០០០ 24 24 4  
៧០SZ០២ 27 27
70SZ03 48 48
70SZ04 ១១០ ១១០

សមាមាត្រល្បឿនទូទៅនៃស៊េរី PS
កម្រិត 1: 4, 6
អនុវិទ្យាល័យ៖ ១៦, ២៤, ៣៦
កម្រិត 3: 64 , 96 , 144 , 216
កម្រិតទី 4: 2563845768641296

សមាមាត្រល្បឿនមិនស្តង់ដារស៊េរី 90PX
កម្រិត 1: 3
កម្រិត 2: 9, 12, 18
កម្រិត 3: 27 , 48 , 54 , 72 , 108
កម្រិត 4: 81 , 162 , 192 , 288 , 324 , 432 , 648

សមាមាត្រល្បឿនមិនស្តង់ដារស៊េរី 110PX
កម្រិត 1: 5
កម្រិត 2: 20, 25, 30
កម្រិតទី 3៖ 80 , 100 , 120 , 125 , 150 , 180
កម្រិតទី 4៖ 320 , 400 , 480 , 500 , 600 , 625 , 720 , 750 , 900 , 1080

ឧបករណ៍កាត់បន្ថយមិនស្តង់ដារដូចជាសមាមាត្រល្បឿនពិសេសល្បឿនទំហំដំឡើងជាដើមអាចត្រូវបានរចនា

ឧទាហរណ៍នៃការជ្រើសរើស
អ្នកប្រើប្រាស់អាចជ្រើសរើសថាមពល និងម៉ូដែលរបស់ឧបករណ៍កាត់បន្ថយបានត្រឹមត្រូវតាមប្រព័ន្ធការងារជាក់ស្តែង និងលក្ខណៈនៃបន្ទុកដោយយោងទៅលើខ្លឹមសារខាងក្រោម។
1.យោងតាមកម្លាំងបង្វិលជុំ និងល្បឿនទិន្នផលរបស់ឧបករណ៍កាត់បន្ថយ ថាមពលដែលត្រូវការអាចត្រូវបានគណនាដោយរូបមន្តដូចខាងក្រោមៈ P=T n/kh
នៅក្នុងរូបមន្ត៖ P- ថាមពលទិន្នផល WT - កម្លាំងបង្វិលជុំ Nm ជ្រើសរើស n- ល្បឿនទិន្នផល r/min យោងតាមសន្លឹកទិន្នន័យបច្ចេកទេស
K- ផ្ទុកថេរ 9560 η - ប្រសិទ្ធភាពនៃការបញ្ជូនដែលត្រូវបានជ្រើសរើសពីតារាងខាងក្រោម

សមាមាត្របញ្ជូន

សមាមាត្របញ្ជូន (i) ៤(៦) ១៦(៣៦) ៦៤(២១៦) ២៥៦(១២៩៦)
η ០.៧៦ ០.៧២ ០.៦៨ 0.65

២.អភិបាលម៉ូតូអាចត្រូវបានជ្រើសរើសដើម្បីដឹងពីការផ្លាស់ប្តូរល្បឿនគ្មានជំហានរបស់ឧបករណ៍កាត់បន្ថយពី O ទៅល្បឿនដែលបានវាយតម្លៃ។
3. យោងតាមប្រព័ន្ធការងារជាក់ស្តែង និងលក្ខណៈនៃការផ្ទុក មេគុណសេវាកម្មអាចត្រូវបានជ្រើសរើសដោយយោងទៅលើតារាងមេគុណសេវាកម្ម។ បន្ទាប់ពីការគណនាថាមពលដែលត្រូវការរបស់ឧបករណ៍កាត់បន្ថយអាចត្រូវបានកំណត់ហើយយោងទៅតាមល្បឿនទិន្នផលដែលត្រូវការនោះម៉ូដែលកាត់បន្ថយអាចត្រូវបានជ្រើសរើសដោយយោងទៅលើតារាងទិន្នន័យបច្ចេកទេស។

តារាងសន្ទស្សន៍ការងារ

ម៉ោងធ្វើការប្រចាំថ្ងៃ កម្រិតផ្ទុក
ស្ថិរភាពជាមធ្យម រស់រវើកមធ្យម ប៉ះពាល់ខ្លាំង
12 1 ១.២៥ ១.៧៥
24 ១.២៥ 1.50 2

ឧទាហរណ៍៖ ប្រសិនបើបន្ទុកគឺស្មើគ្នា និងមានស្ថេរភាព ថាមពលវាយតម្លៃម៉ូទ័រដែលត្រូវការគឺ 40W វ៉ុលវាយតម្លៃគឺ 110V សមាមាត្រល្បឿនទិន្នផលគឺ 4 ហើយពេលវេលាធ្វើការក្នុងមួយថ្ងៃគឺ 12 ម៉ោង បន្ទាប់មក 40W ត្រូវបានជ្រើសរើស។ ប្រសិនបើធម្មជាតិនៃបន្ទុកគឺរំញ័រកម្រិតមធ្យម៖
បន្ទាប់មក៖ ក. សូមមើលតារាងមេគុណសេវាកម្ម ដើម្បីជ្រើសរើសស៊េរីសេវាកម្មជា 1.25 ។ ថាមពលដែលត្រូវការ W = 40W * 1.25 = 50W
ខ. ពិនិត្យមើលសន្លឹកទិន្នន័យបច្ចេកទេសសម្រាប់ជម្រើស J70SZ54P*4

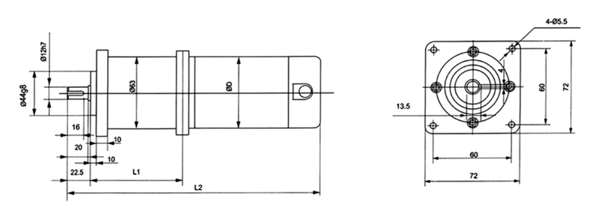
ផ្នែកខាងមុខ 70PX

ផ្នែកខាងមុខ 70PX'

គែមខាងក្រោយ 70PX

គែមខាងក្រោយ 70PX

  • មុន៖
  • បន្ទាប់៖

  • សរសេរសាររបស់អ្នកនៅទីនេះ ហើយផ្ញើវាមកយើង